
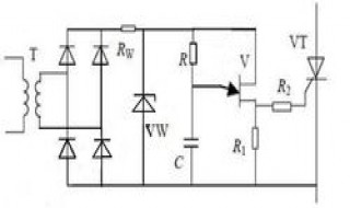
1、单相通用型可控硅触发板是通过调整可控硅的导通角来实现电气设备的电压电流功率调整的一种移相型的电力控制器。
2、其核心部件采用国外生产的高性能、高可靠性的军品级可控硅触发专用集成电路。输出触发脉冲具有极高的对称性及稳定性,且不随环境温度变化,使用中不需要对脉冲对称度及限位进行调整。
3、现场调试一般不需要示波器即可完成。它可广泛的应用于工业各领域的电压电流调节,适用于电阻性负载、电感性负载、变压器一次侧及各种整流装置等。
家具百科2022-04-17 04:53:05佚名

1、单相通用型可控硅触发板是通过调整可控硅的导通角来实现电气设备的电压电流功率调整的一种移相型的电力控制器。
2、其核心部件采用国外生产的高性能、高可靠性的军品级可控硅触发专用集成电路。输出触发脉冲具有极高的对称性及稳定性,且不随环境温度变化,使用中不需要对脉冲对称度及限位进行调整。
3、现场调试一般不需要示波器即可完成。它可广泛的应用于工业各领域的电压电流调节,适用于电阻性负载、电感性负载、变压器一次侧及各种整流装置等。
下水管堵了怎么办 教你四步疏通下水管
玻璃脏了如何做 玻璃脏了怎么办