》》》2021年天津市第一中学秋季开学通知
一、 自8月13日开始,全体师生员工原则上应在开学前连续14天在津每日测量体温,进行自我健康观察。
二、 师生员工返校前应确保身体健康状况良好。
三、 国内中高风险地区及其所在县、区的师生员工,暂不返校。
四、 国内中高风险地区所在地级市(非中高风险地区及所在县、区)师生员工返津入校,须提供48小时内的核酸检测阴性报告。
五、 境外师生未接到学校通知一律不返校,返校时按照我国相关政策要求接受管理。
六、 请全体师生员工时刻动态关注国内中高风险地区变化。国内中高风险地区名单以国务院客户端、国家政务服务平台、“健康天津”官方发布的疫情风险等级为准。
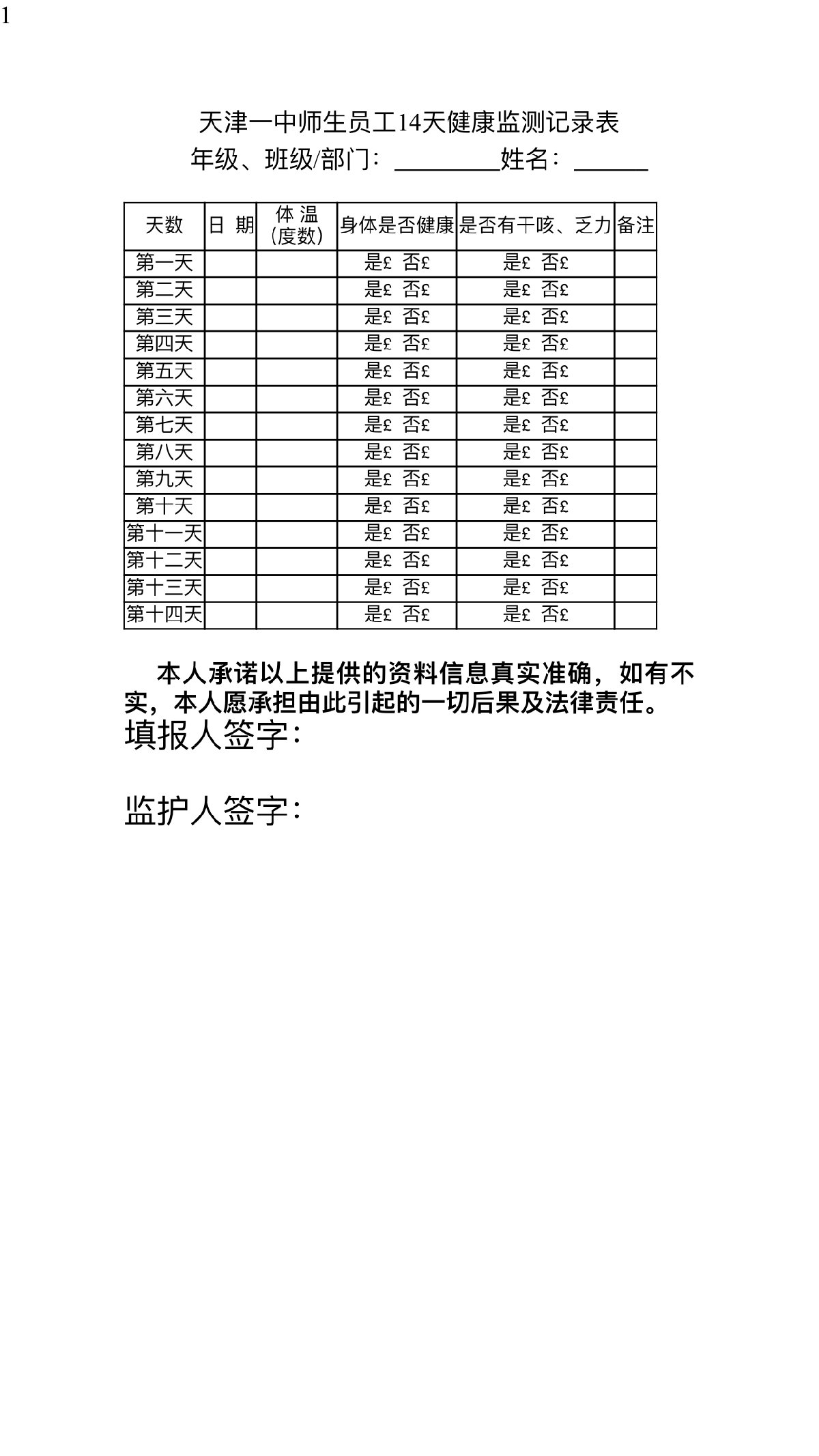
七、返校前,全体师生员工需要上交“天津健康码绿码、疫苗接种金盾、通讯大数据行程卡”相关电子图片,以及《天津一中师生员工14天健康监测记录表》。
八、做好个人防护、确保健康安全
1.广大学生和家长要积极主动接种新冠疫苗,并主动配合在重点时段、重点场所、重点活动的疫苗接种证明查验工作。目前,在天津一中接种第一针疫苗的学生,15—17岁第二针疫苗接种时间为8月17日,12—14岁第二针接种时间约为8月25日左右,请同学及家长提前做好准备。
2.全面提高自我防护意识和能力,疫情防控意识决不能放松!坚持规范佩戴口罩、勤洗手、常通风、少聚集、保持安全社交距离等良好的卫生习惯以及绿色文明的健康生活方式。完成疫苗接种后,也不可放松警惕,仍要坚持做到佩戴口罩、注意手部卫生等良好卫生行为,杜绝感染风险和隐患。
3.返津途中请务必做好个人防护。尽量避免经过中高风险地区,如有中高风险地区旅居史,请主动向社区报备,并积极配合核酸检测、隔离管控等措施,在完成检测、隔离后方可参加返校。对当前在中高风险地区的新生,不符合防控要求的不得擅自返校。
4.学生及家人一旦出现发热、咳嗽、咽痛、腹泻、乏力、全身酸痛、味觉异常等症状,要及时前往正规医疗机构的发热门诊就医,就医途中要做好个人防护,并避免乘坐公共交通工具。
5.要全面细致落实校园疫情防控各项措施。





